
产品介绍
自攻螺套又叫自攻牙套或自攻衬套,是一种新型的加强螺纹强度的紧固件,自攻螺套内外都有牙纹,自攻螺套嵌入塑料、铝合金、铸铁,铜等较软的材料内,可以形成**度的内螺纹孔,自攻螺套亦可对已坏的内螺纹进行修复。自攻螺套分为302(开槽型)和307/308(三圆孔型)两种。
特点
1、自攻螺套具有自攻及自动排屑的能力,母材也不必预先攻牙。
2、自攻螺套和成品接触面积大,承受拉力强,产品设计时可使用较低强度的材料
3、自攻螺套的气密性及耐振性极佳,可防止松动,提高与母材的连接强度。
4、自攻螺套安装简易快捷,只需一种装配工具,成本较低,几乎无不良率。
材质
国内自攻螺套采用的材质为不锈钢和碳钢两种。
不锈钢自攻螺套适用于铸铁等强度较高的产品上;碳钢/镀彩锌自攻螺套适用于铝合金、铜合金、塑胶等强度较低的基材上。镀彩锌是自攻螺套表面掺碳热处理。
302系列:**度耐磨损螺纹,其凹槽具有自行攻牙的作用,装配简单,具有防震放松的效果。适用于轻合金、铸铁、非金属、塑胶、硬木材等
307/308系列:加长型,具有三个自攻圆槽,容易装配,**度螺纹及耐振动,适用于轻合金、铸铁、软铜等。
用途
自攻螺套为一种带开槽或开孔的自攻型螺纹嵌入件,其中开槽型自攻螺套被推荐应用于大多数应用领域。在某些材料上,这种螺套提供**的特定螺纹锁功效。如果还不行,一般推荐使307/308型,307/308型在材料切割困难方面做出了重大的突破。这种产品不但有很厚的壁,还有三个具有切削能力的圆孔分散于壁307/308型产品特别适用于材料厚度不太宽裕的情况下。
一般没有要求的产品是无需安装自攻螺套的,但一些重要的连接部位,因拉力要求高或设计特别而需要安装。自攻螺套是严格根据ISO/TS16949质量体系来生产及检测的产品,自攻螺套应用几乎贯穿整个金属和塑料加工行业,产品已长期应用于汽车工业,民用和商用车引擎,变速器,航空工业,轨道车工业等,其质量从未受到质疑。
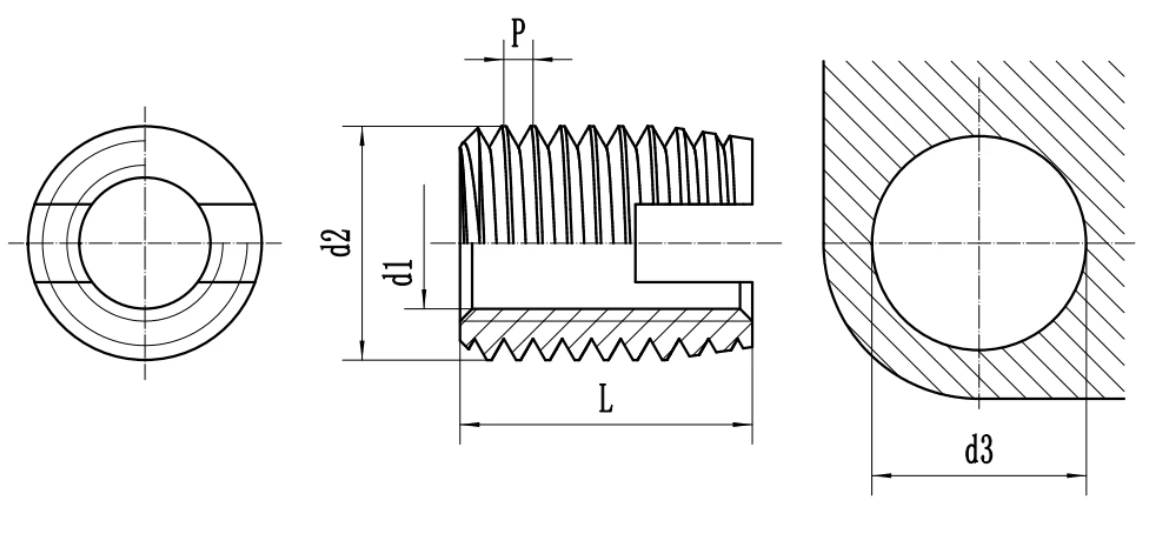
302(开槽型)


Related Products
扫一扫关注我们